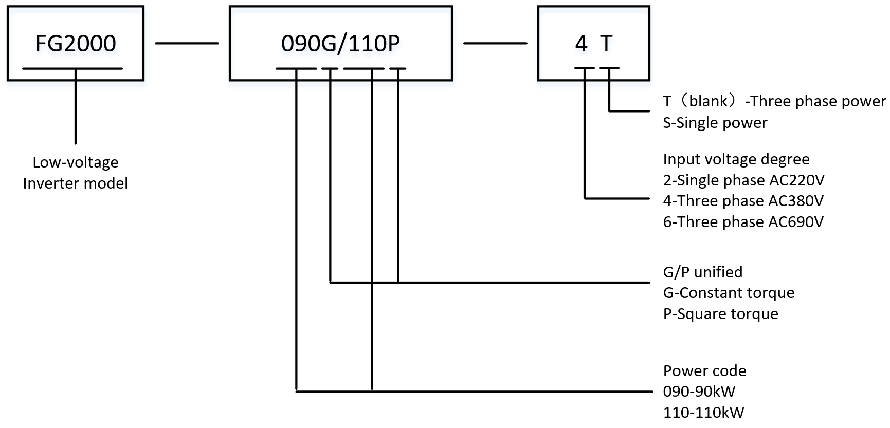
FG2000 high performance inverter

About
Vfd oem & Technology Co., Ltd. (VFD OEM) is a national high-tech enterprise affiliated with Shandong Energy Group, specializing in power electronics energy-saving control technology, and integrating R&D, production, sales and services into a whole. On April 13,2021, VFD OEM went public on The Science and Technology Innovation Board. Stock code: 688663.
 
Contact Us
Jincheng Road,Economic Development Zone,Wenshang,Shandong

FG2000 high performance inverter

Product Profile & Features
System Performance
Download
Product Advantages